艾思捷減速機專注行業蝸輪減速機、非標減速機定制生產供應,SJMFV系列減速機是我司在標準的蝸輪減速機設計之上改善設計的一款半圓形蝸輪減速機,主要用于輸送設備、鋰電池輸送設備、包裝設備等等。
SJMFV030減速機常用數比型號:SJMFV030-5、SJMFV030-7.5、SJMFV030-10、SJMFV030-50、SJMFV030-60、SJMFV030-80、SJMFV030-100,外殼采用的是鋁合金材質,安裝方式任意安裝都行。內部蝸輪采用的是耐磨的CuSn12Ni2錫青銅,使用中更耐用。
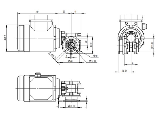
艾思捷SJMFV030+0.09KW蝸輪減速機外形圖紙如下:
艾思捷歡迎廣大客戶來電咨詢,
艾思捷SJMFV030+0.09KW蝸輪減速機-定制熱線: 盛工 18116258006


